СДЕЛАЙТЕ СВОИ УРОКИ ЕЩЁ ЭФФЕКТИВНЕЕ, А ЖИЗНЬ СВОБОДНЕЕ

Благодаря готовым учебным материалам для работы в классе и дистанционно

Скидки до 50 % на комплекты
только до

Готовые ключевые этапы урока всегда будут у вас под рукой

Организационный момент

Проверка знаний

Объяснение материала

Закрепление изученного

Итоги урока

Практическая работа: «Выполнение чертежа плоской детали».

Нажмите, чтобы узнать подробности

 

Практическая работа по модулю«Компьютерная графика. Черчение».  Цель: Обучить правилам построение плоской детали, нанесения размеров на чертеже, приемам работы чертежными инструментами.

 

Просмотр содержимого документа
«Практическая работа: «Выполнение чертежа плоской детали».»

Модуль «Компьютерная графика. Черчение»


Класс: 5


Тема практической работы: «Выполнение чертежа плоской детали».


Планируемые образовательные результаты практической работы:

Личностные - ценностное отношение к достижениям российских инженеров и ученых.

Метапредметные - уметь оценивать правильность выполнения учебной задачи, собственные возможности ее решения.

Предметные- владеть навыками работы чертежными инструментами, способами вычерчивания чертежей, эскизов и технических рисунков.


Методическая разработка практической работы

по теме «Выполнение чертежа плоской детали»



Планируемые предметные результаты

Базовый уровень

В результате выполнения практической работы обучающиеся


Впишите предметные результаты, соответствующие изучаемой технологии

узнают:…

(термины, понятия, названия инструментов, приемов работы, трудовых операций и др.)

Узнают название инструментов и правила нанесения размеров

научатся: …

(выполнять трудовые операции, использовать инструменты, приспособления и др.)

Научатся использовать инструменты

смогут объяснять/характеризовать:

(порядок технологических операций, этапы выполнения работы и др.)

Смогут объяснить этапы выполнения работы

смогут самостоятельно выполнить/сделать: …

(-аналогичное изделие,

-другое изделие, перенеся знания изученной технологии на другие объекты)

Смогут самостоятельно выполнить другой чертеж, соблюдая технологическую последовательность



Практическая работа «Выполнение чертежа плоской детали»


Цель: Обучить правилам построение плоской детали, нанесения размеров на чертеже, приемам работы чертежными инструментами.

Оборудование и материалы: Наглядные пособия, альбом для черчения, чертежные инструменты (циркуль, угольник), простые карандаши, ластик.


Задание:

1. Изучить материал урока по прикрепленным картинкам.

2. Взять лист формата А4 с подготовленной рамкой и основной надписью (на прошлом уроке).

3. Начертить чертеж плоской детали по технологической карте, нанести размеры, соблюдая использование типов линий по назначению.



Теоретический материал

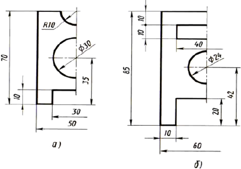
Многие предметы имеют незначительную толщину (высоту), которая во много раз меньше их длины и ширины. Такие предметы называют плоскими – это различные пластины, прокладки, подкладки, угольники и т.п. Их изготавливают из листовых материалов: картона, жести, фанеры и других.

Чертеж плоского предмета содержит одно изображение, которое представляет собой фронтальную проекцию. Оно дает полное представление о форме изображенного предмета и его частей. Толщину плоского предмета на чертеже указывают условным обозначением. Для этого применяют букву s, которую пишут перед числовым значением толщины. Условное обозначение наносят на полку линии-выноски. Плоские предметы бывают симметричными и несимметричными. Вы уже знаете, что симметричность предметов на чертежах указывают осями симметрии, которые проводят штрихпунктирной линией. Изображения симметричных предметов могут иметь одну или две оси симметрии. Одна ось симметрии может быть вертикальной или горизонтальной.






















Технологическая карта


Последовательность технологических операций

Материалы,

инструменты


Повторим:

Чертежи выполняют на листах формата А4. Чертёж должен иметь рамку, которая ограничивает поле чертежа и основную надпись.

Расположение листа по вертикали или горизонтали зависит от характера изображаемого чертежа.




Наглядное пособие

Масштаб изображения 2:1.


Определим этапы построения чертежа.

1. На рисунке 1 дана лишь половина изображения детали.


2. Представить, как будет выглядеть деталь полностью, помня о симметрии, выполнить эскизно ее изображение на отдельном листе.


3. Определяют центр рабочего поля чертежа и от него ведут построение изображения.


4. Построить вертикальную ось симметрии.



5. Относительно осевой линии построить габаритный прямоугольник, который ограничивает контур изображения предмета по его длине и высоте.


альбом для черчения, чертежные инструменты (угольник), простые карандаши, ластик

рис.1


Наглядное пособие

6. Внутри габаритного прямоугольника размечают положения центра и проводят окружность и полуокружность заданных размеров.


Наглядное пособие


7. Построить вырез внизу прямоугольника, относительно осевой, симметрично.







8.Нанести размеры элементов и габаритные, т. е. наибольшие по длине и высоте, размеры детали, указывают ее толщину (размеры наносим сплошной тонкой линией), обратить внимание на нанесение стрелок на размерных линиях.








9. Обвести контуры детали сплошной толстой основной.


рис.2

чертежные инструменты (циркуль, угольник), простые карандаши, ластик рис.3

Оцените качество выполненной работы по карте контроля


Карта контроля выполненной работы

Технологическая операция

Критерий оценки

Балл

Точное выполнение инструктивных указаний

Выполняется - 1

Не выполняется - 0


Точность изображение рамки и основной надписи,

расположения детали на листе

Выполняется - 1

Не выполняется - 0


Точность выполнения чертежа плоской детали

Выполняется - 1

Не выполняется - 0


Правильное нанесение размеров

Выполняется - 1

Не выполняется - 0


Аккуратность выполненной работы

Выполняется - 1

Не выполняется - 0



Итого:

5



Чек-лист выполнения практической работы

1.Найти середину листа и построить осевую.

2. Построить прямоугольник относительно осевой.

3.Построить горизонтальную осевую.

4. Построить окружность и полуокружность.

5.Построить вырез.

6. Построить размеры.

7.Обвести сплошной толстой основной.

8. Выполнить самопроверку.

ВЫВОД: В результате усвоения и точного выполнения технологической последовательности построения чертежа, учащиеся успешно достигли цели урока.